当前所在位置: 首页 » 产品 » HL-A4VSO125LR2

产品分类

联系我们

司总部:

宁波市鄞州区东吴镇平塘工业区(栗树塘)

总机:0574-55876868

传真:0574-55876899

Email:Vip@hilead.cn

 

液压泵销售部

直线1:0574-55876243

直线2: 0574-55876242  15867817352(陈经理)

直线3: 15258304855(郑经理)

Email:sales@hilead.cn

 

液压泵外贸销售部

直线:0574-55876243 15606620990(Jonathan)

Email:Jonathan@hilead.cn 

 

CY泵销售部

直线:0574-55876245 (杨经理)

Eamil:2108586240@qq.com

 

复合材料压机销售部

直线: 13616582276 (徐经理)

Email: xjx@hilead.cn 

 

loading

分享到:

HL-A4VSO125LR2

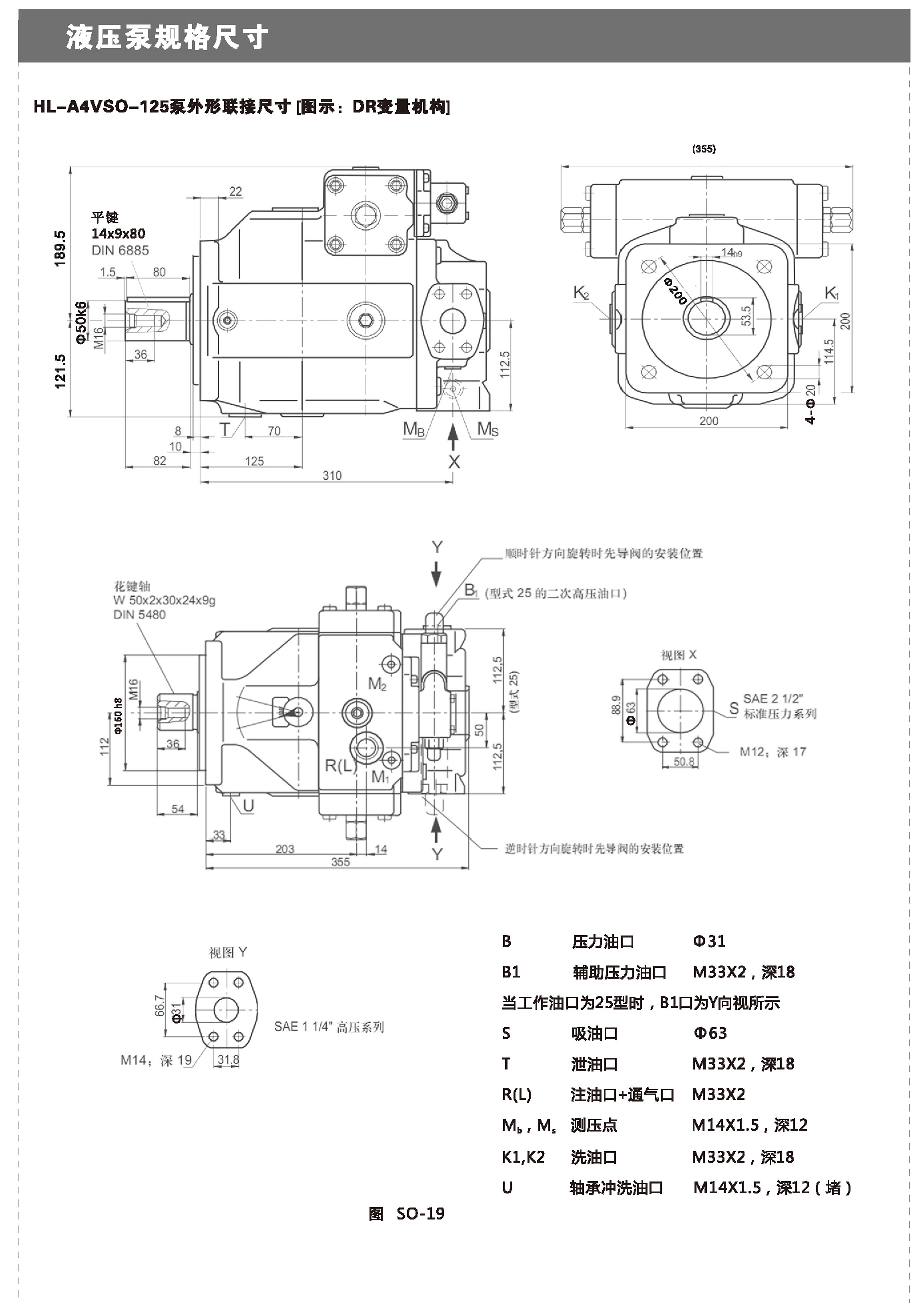
变量方式:双曲线功率控制LR2 应用范围:冶金设备系统、锻压设备系统、矿山系统等工业应用 额定压力:35 MPa 额定转速:1300 RPM 产品品牌:HiLEAD 备注:公司可提供规格为40、71、125、180、250、355、500等不同排量和MA、DR、DFR、DP、LR、LR2G、EO2、EO1、DFE1、HS、HD等不同控制模式。
状态:
  • HL-A4VSO125LR2

  • Hilead

产品描述

02-HL-A4VSO500DFE1-302-HL-A4VSO500DFE1-403-HL-A4VSO125LR2-3

产品手册下载

产品手册下载

上一条: 
下一条: 

宁波恒力液压股份有限公司

总机:0574-55876868
传真:0574-55876899
电子邮件:Vip@hilead.cn
地址:宁波市鄞州区东吴镇平塘工业区(栗树塘)

产品服务

企业概况

服务支持

版权所有:宁波恒力液压股份有限公司  浙ICP备2020033702号-1   技术支持:海派网络