当前所在位置: 首页 » 产品 » HL-A10VSO45DR

产品分类

联系我们

司总部:

宁波市鄞州区东吴镇平塘工业区(栗树塘)

总机:0574-55876868

传真:0574-55876899

Email:Vip@hilead.cn

 

液压泵销售部

直线1:0574-55876243

直线2: 0574-55876242  15867817352(陈经理)

直线3: 15258304855(郑经理)

Email:sales@hilead.cn

 

液压泵外贸销售部

直线:0574-55876243 15606620990(Jonathan)

Email:Jonathan@hilead.cn 

 

CY泵销售部

直线:0574-55876245 (杨经理)

Eamil:2108586240@qq.com

 

复合材料压机销售部

直线: 13616582276 (徐经理)

Email: xjx@hilead.cn 

 

loading

分享到:

HL-A10VSO45DR

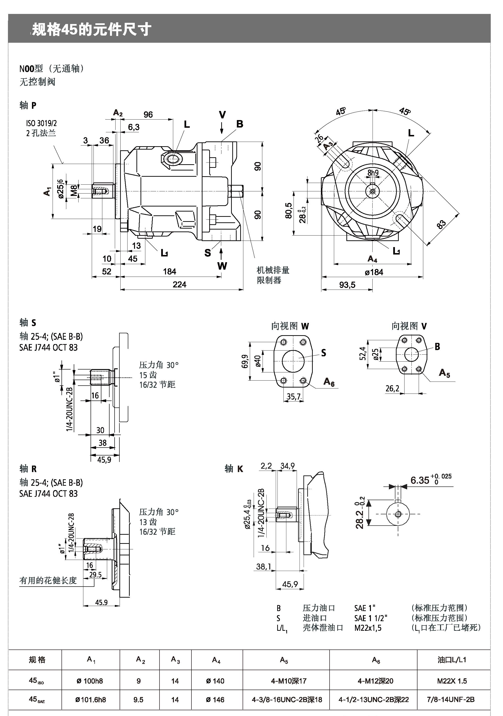
变量方式:压力控制DR 应用范围:冶金设备系统、工程机械车辆、各类液压设备主机系统 额定压力:28 MP 额定转速:1500 RPM 产品品牌:HiLEAD 备注:公司可提供规格为18、28、45、71、100、140等不同排量和DR(DFR)、DFLR、DRS、LA等控制模式。
状态:
  • HL-A10VSO45DR

  • HiLEAD

产品描述

01-A10VSO18DR-101-A10VSO18DR-201-A10VSO18DR-303-A10VSO45DR-1

产品手册下载

产品手册下载

上一条: 
下一条: 

宁波恒力液压股份有限公司

总机:0574-55876868
传真:0574-55876899
电子邮件:Vip@hilead.cn
地址:宁波市鄞州区东吴镇平塘工业区(栗树塘)

产品服务

企业概况

服务支持

版权所有:宁波恒力液压股份有限公司  浙ICP备2020033702号-1   技术支持:海派网络